WhatsApp/Wechat:+86 15922636221

Sie sind hier: Heim » Produkte » Ausrüstung zur Vermeidung von Umweltverschmutzung » Meeresverbrennungsanlage » IMO MEPC244(66) Schiffsverbrennungsanlage

PRODUKTKATEGORIE

loading

Anteil an:
facebook sharing button
twitter sharing button
line sharing button
wechat sharing button
linkedin sharing button
pinterest sharing button
sharethis sharing button

IMO MEPC244(66) Schiffsverbrennungsanlage

Die Marine-Verbrennungsanlage dient zur Beseitigung fester und/oder schlammiger Ölabfälle, die an Bord eines Schiffes entstehen. Es entspricht der IMO-Entschließung MEPC 244(66) „Standardspezifikation für Schiffsverbrennungsanlagen“ und der MARPOL-73/78-Anhang-Ⅵ-Verordnung16.
Verfügbarkeitsstatus:
Menge:
Meeresverbrennungsanlage für die Müllentsorgung
Die Marine-Verbrennungsanlage dient zur Beseitigung fester und/oder schlammiger Ölabfälle, die an Bord eines Schiffes entstehen.

Es entspricht der IMO-Entschließung MEPC 244(66) „Standardspezifikation für Schiffsverbrennungsanlagen“ und der MARPOL-73/78-Anhang-Ⅵ-Verordnung16.


Der Brennvorgang wird von der SPS gesteuert, vom HMI (Human Machine Interface) überwacht und vom Flammenmelder gescannt. Auch die Brennraumtemperaturen werden automatisch durch die SPS-Steuerung geregelt
Verbrennungsanlage23

Marine

Verbrennungsanlage14.3

Verbrennungsanlage


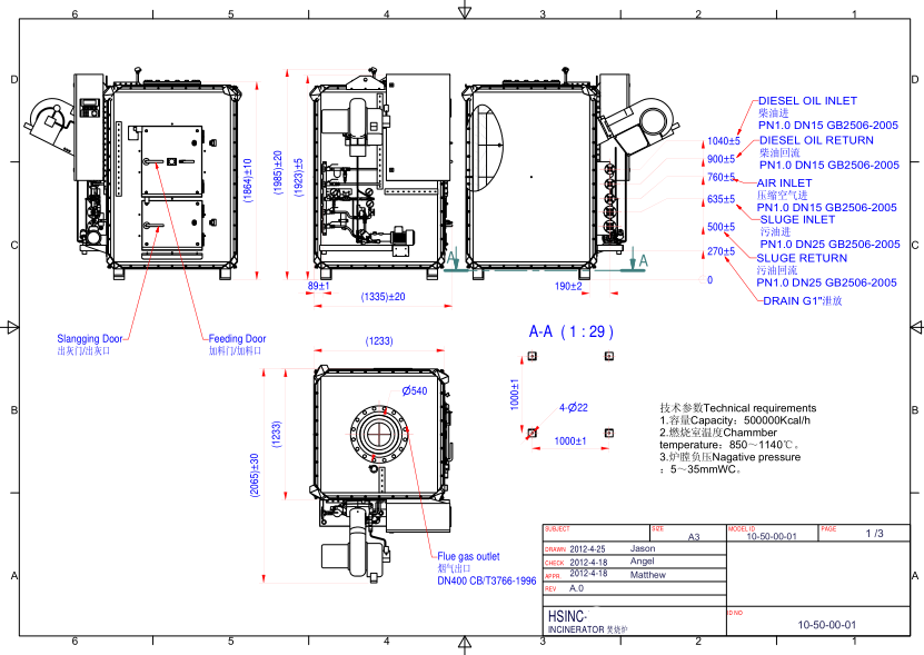
Hauptteile der Marine-Verbrennungsanlage

A. Brennkammer mit Dieselölbrenner, Schlammbrenner und elektrischem Bedienfeld.
B. Rauchgasventilator  
C. Rauchgasklappe.
D. Schlammtank mit Umwälzpumpe und Heizung.


Spezifikation der Schiffsverbrennungsanlage

Modelle
HSINC-18
HSINC-50
HSINC-50A
HSINC-80
Kapazität
180.000 Kcal/H
500.000 Kcal/H
500.000 Kcal/H
800.000 Kcal/H

Brennkammertemperatur
Max. 1180 Grad Celsius
Betrieb bei 850–1150 Grad Celsius

Rauchgastemperatur
Max. 375 Grad Celsius
Arbeiten bei 250–340 Grad Celsius

Oberflächentemperatur
Weniger als Umgebungstemperatur +20 Grad Celsius,
und weniger als 60℃

 

QQ图片20160519092047
Vorherige: 
Nächste: 
Produktanfrage

Navigation

Produktliste

Navigation

Kontaktieren Sie uns

Tel.: 0086-023-62984891
Fax: 0086-023-62613622
WhatsApp/Mob: 0086 15922636221
E-Mail: master@hy-industry.com

 
Copyright © 2020 Gathering Marine Equipment Co., Ltd. Unterstützt von Leadong